Alibaba supplier OEM terex hydraulic pump T6 Series T6DC Denison Hydraulic Vane Pump with low noise
Hydraulic pump catalogue
Denison Hydraulic Vane Pump Feactures:
Denison T6 Series Single Vane Pump:
T6C, T6D, T6E
Denison T6 Series Double Vane Pump:
T6CC, T6DC, T6EC, T6ED, T67CB, T67DB, T67EB
Usage :
Hydraulic vane pump are widely used in Heavy equipments, Mining machinery,Rubber & Plastic machinery, Shoes machinery, Die Casting Machinery, Metallurgical machinery, Metal Cutting Machinery and other types of hydraulic systems.
Same connecting dimension, but lower noise, higher Pressure, better performance than original Denison pump.
All parts can be replaced with the original , including cartridge kits, Shafts, Seals, Bearings and other parts.
Denison Hydraulic Vane Pump Application:
Hydraulic System, engineering machine, Concrete pump truck, Boats hydraulic system.
Excavator, Loader , Metallurgy hydraulic system.

Denison Hydraulic Vane Pump Competitive Advantage:
Good quality, Competitive price, Quick delivery, good service.
Low noise and small volume
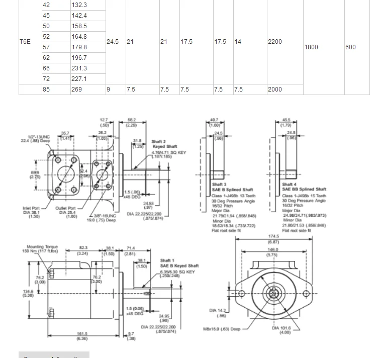
Denison Hydraulic Vane Pump details :


hydraulic pump price list
Denison Hydraulic Vane Pump Picture show :








hydraulic pump piston pump Application for:

Hydraulic pump exibition :

Payment and shipping as follow:
Pay by TT,Western union, Alipay,Trade Assurance
Ship:By sea,by air and by express such as DHL,UPS, EMS,Fedex.
Any others brand Hydraulic pump can OEM.
Delivery time within 5-10days after received payment.
Packing with foam+carton, wooden case .